MG Series Injection Moulding Machines (More models)
Brief Introduction
The diversified range of injection molding machines in WASHUN
Machinery, It covers all the applications in the standard
sector, and fulfill international quality standards.
With clamping forces between 600 and 12,500, with the high
performance of the injection molding machine and less
pricing, our MG series machine creates the critical
competitive advantages for our customers.
Features
* PLC Controller
The MG series Injection molding Machine use
the latest control technology. This
high-performance control system provides the
ideal communication between the injection
molding machine and the operator. The
uniform operating concept and logical, clear
structure of the functions make machine
operation easy and user-oriented.
* PET Injection Unit
The optimization of the injection unit is
providing for higher precision and
stability. The force is always applied
centrally as the two drive cylinder for the
unit movement and two injection cylinders
for screw injection. There are three
different screw sizes to be selected
according to process and application. The
barrel temperature can be set and monitored
by the control.
* Clamping System
The optuimized kinematics of the proved
5-point toggle represent economical speed
and power processes. This allows high
sensitivity in the opening and closing
processes and protects injection moulds from
excessive wear and tear. The fast mold
closing device is optimized to shorten the
cycle time.
* Automatic Mould Height Adjustment
Unit
Automatic Mould-height adjustment by
hydraulic motor through the gears system
ensures fast and constant settings to
different mold height, achieve platen
parallelism and consistent tonnage. The
photocell detects function to insure the
high precision.
* Hydraulic System
The energy-saving hydraulics are fitted with
sound reduced and are made of high-quality
components. They allow much greater forces
to be transferred and enable very uniform
and precision movements of the machine.
The Range of The MG Series Injection Moulding Machines
| SPECIFICATION | MG-328T | |||
|---|---|---|---|---|
| A | B | C | ||
| INJECTION UNIT | ||||
| Screw Diameter | mm | 65 | 70 | 75 |
| Screw L/D Ratio | L/D | 21.5 | 20 | 18.7 |
| Shot Size (Theoretical) | cm3 | 1132 | 1312 | 1506 |
| Injection Weight(PS) | g | 1030 | 1194 | 1371 |
| Injection Rate | g/s | 245 | 285 | 327 |
| Plasticizing Capacity | g/d | 50 | 60 | 71 |
| Injection Pressure | Mpa | 182 | 157 | 137 |
| Screw Speed | rpm | 0~160 | 0~160 | 0~160 |
| CLAMPING UNIT | ||
|---|---|---|
| Clamp Tonnage | KN | 3280 |
| Toggle Stroke | mm | 670 |
| Space Between Tie Bars | mm | 660×660 |
| Max. Mold Height | mm | 680 |
| Min. Mold Height | mm | 240 |
| Ejector Stroke | mm | 160 |
| Ejector Tonnage | KN | 65 |
| Ejector Number | Piece | 13 |
| OTHERS | ||
|---|---|---|
| Max. Pump Pressure | Mpa | 16 |
| Pump Motor Power | kw | 37 |
| Heater Power | kw | 18.5 |
| Machine Dimension(LxWxH) | m | 6.9×1.7×2.5 |
| Machine Weight | t | 12.0 |
| Hopper Capacity | kg | 50 |
| Oil Tank Capacity | L | 730 |
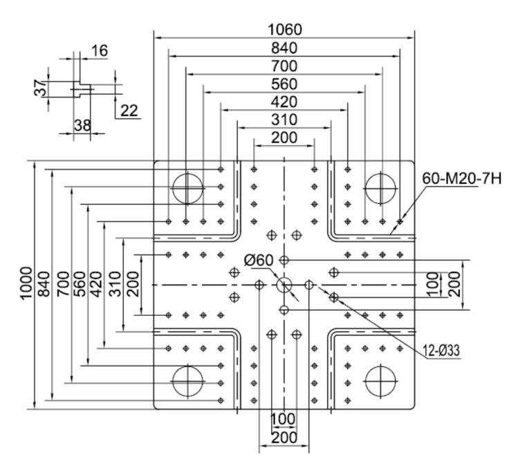
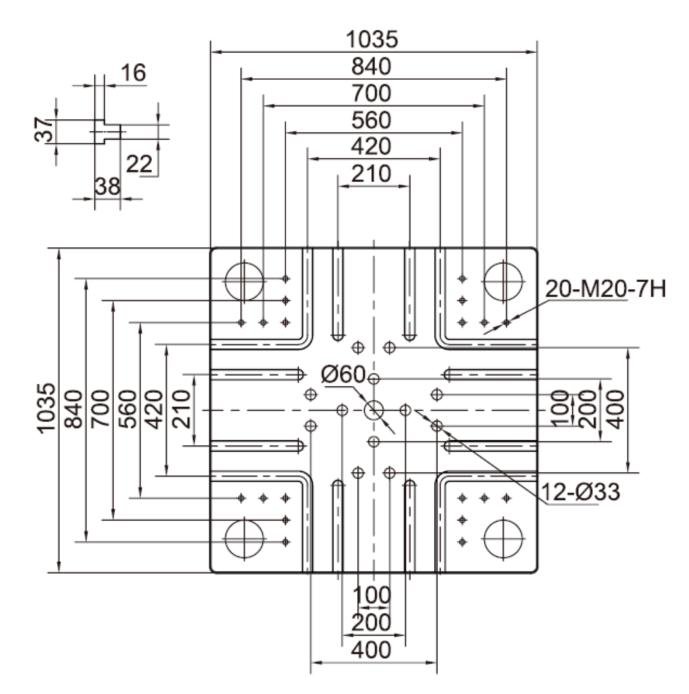
Platen Dimensions Face
Platen Dimensions Side
Machine Dimensions
| SPECIFICATION | — | MG-368T | — | — |
|---|---|---|---|---|
| A | B | C | ||
| INJECTION UNIT | ||||
| Screw Diameter | mm | 65 | 70 | 75 |
| Screw L/D Ratio | L/D | 22.6 | 21 | 19.6 |
| Shot Size (Theoretical) | cm3 | 1228 | 1424 | 1635 |
| Injection Weight(PS) | g | 1117 | 1296 | 1488 |
| Injection Rate | g/s | 233 | 270 | 310 |
| Plasticizing Capacity | g/d | 50 | 60 | 71 |
| Injection Pressure | Mpa | 195 | 168 | 146 |
| Screw Speed | rpm | 0~160 | 0~160 | 0~160 |
| CLAMPING UNIT | ||
|---|---|---|
| Clamp Tonnage | KN | 3680 |
| Toggle Stroke | mm | 670 |
| Space Between Tie Bars | mm | 720×660 |
| Max. Mold Height | mm | 750 |
| Min. Mold Height | mm | 240 |
| Ejector Stroke | mm | 180 |
| Ejector Tonnage | KN | 90 |
| Ejector Number | Piece | 13 |
| OTHERS | ||
|---|---|---|
| Max. Pump Pressure | Mpa | 16 |
| Pump Motor Power | kw | 37 |
| Heater Power | kw | 20.5 |
| Machine Dimension(LxWxH) | m | 7.5×1.85×2.25 |
| Machine Weight | t | 12.8 |
| Hopper Capacity | kg | 50 |
| Oil Tank Capacity | L | 750 |
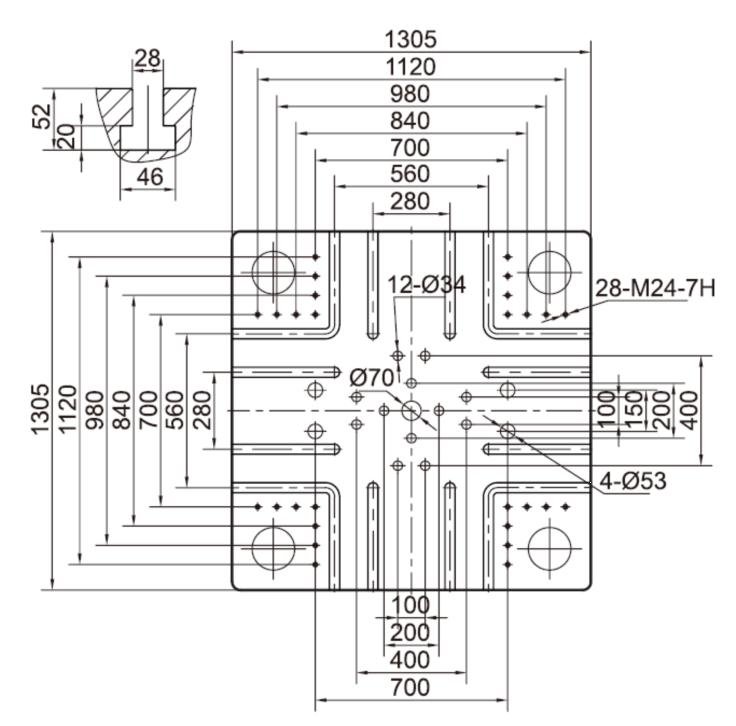
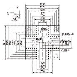
Platen Dimensions Face
Platen Dimensions Side
Machine Dimensions
| SPECIFICATION | MG-398T | |||
|---|---|---|---|---|
| A | B | C | ||
| INJECTION UNIT | ||||
| Screw Diameter | mm | 70 | 75 | 80 |
| Screw L/D Ratio | L/D | 21.4 | 20 | 18.8 |
| Shot Size (Theoretical) | cm3 | 1293 | 1485 | 1689 |
| Injection Weight(PS) | g | 1177 | 1351 | 1537 |
| Injection Rate | g/s | 366 | 395 | 446 |
| Plasticizing Capacity | g/d | 60 | 65 | 70 |
| Injection Pressure | Mpa | 199 | 173 | 152 |
| Screw Speed | rpm | 0~165 | 0~165 | 0~165 |
| CLAMPING UNIT | ||
|---|---|---|
| Clamp Tonnage | KN | 3980 |
| Toggle Stroke | mm | 700 |
| Space Between Tie Bars | mm | 720×720 |
| Max. Mold Height | mm | 800 |
| Min. Mold Height | mm | 280 |
| Ejector Stroke | mm | 160 |
| Ejector Tonnage | KN | 110 |
| Ejector Number | Piece | 13 |
| OTHERS | ||
|---|---|---|
| Max. Pump Pressure | Mpa | 16 |
| Pump Motor Power | kw | 37 |
| Heater Power | kw | 23.2 |
| Machine Dimension(LxWxH) | m | 7.3×1.9×2.5 |
| Machine Weight | t | 15.7 |
| Hopper Capacity | kg | 50 |
| Oil Tank Capacity | L | 750 |
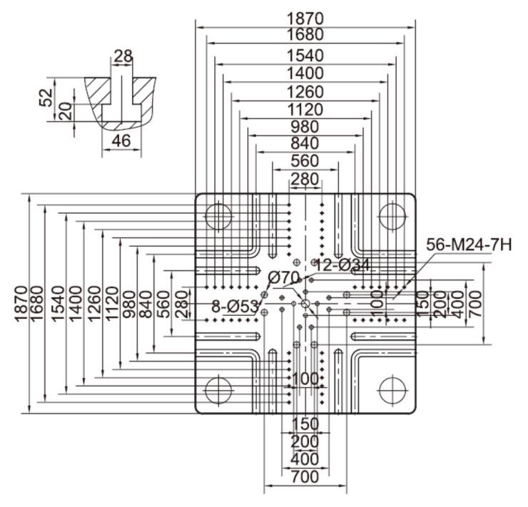
Platen Dimensions Face
Platen Dimensions Side
Machine Dimensions
| SPECIFICATION | MG-528T | |||
|---|---|---|---|---|
| A | B | C | ||
| INJECTION UNIT | ||||
| Screw Diameter | mm | 80 | 85 | 90 |
| Screw L/D Ratio | L/D | 22.3 | 21 | 19.8 |
| Shot Size (Theoretical) | cm3 | 2141 | 2418 | 2710 |
| Injection Weight(PS) | g | 1948 | 2200 | 2466 |
| Injection Rate | g/s | 427 | 482 | 541 |
| Plasticizing Capacity | g/d | 80 | 100 | 118 |
| Injection Pressure | Mpa | 188 | 167 | 149 |
| Screw Speed | rpm | 0~150 | 0~150 | 0~150 |
| CLAMPING UNIT | ||
|---|---|---|
| Clamp Tonnage | KN | 5280 |
| Toggle Stroke | mm | 820 |
| Space Between Tie Bars | mm | 810×810 |
| Max. Mold Height | mm | 820 |
| Min. Mold Height | mm | 350 |
| Ejector Stroke | mm | 210 |
| Ejector Tonnage | KN | 150 |
| Ejector Number | Piece | 13 |
| OTHERS | ||
|---|---|---|
| Max. Pump Pressure | Mpa | 16 |
| Pump Motor Power | kw | 55 |
| Heater Power | kw | 33.00 |
| Machine Dimension(LxWxH) | m | 8.6×2.2×2.7 |
| Machine Weight | t | 23 |
| Hopper Capacity | kg | 100 |
| Oil Tank Capacity | L | 1000 |
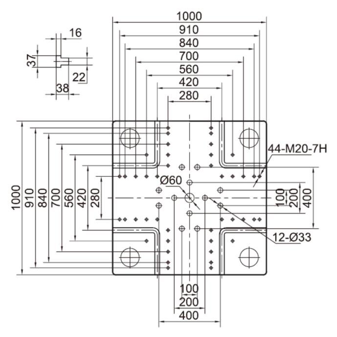
Platen Dimensions Face
Platen Dimensions Side
Machine Dimensions
| SPECIFICATION | MG-628T | ||||
|---|---|---|---|---|---|
| A | B | C | D | ||
| INJECTION UNIT | |||||
| Screw Diameter | mm | 85 | 90 | 95 | 100 |
| Screw L/D Ratio | L/D | 22.3 | 21 | 19.9 | 18.9 |
| Shot Size (Theoretical) | cm3 | 2298 | 2576 | 2870 | 3181 |
| Injection Weight(PS) | G | 2091 | 2344 | 2611 | 2895 |
| Injection Rate | g/s | 400 | 448 | 499 | 553 |
| Plasticizing Capacity | g/d | 60 | 75 | 85 | 100 |
| Injection Pressure | Mpa | 206 | 184 | 164 | 149 |
| Screw Speed | rpm | 0~125 | 0~125 | 0~125 | 0~125 |
| CLAMPING UNIT | ||
|---|---|---|
| Clamp Tonnage | KN | 6280 |
| Toggle Stroke | mm | 870 |
| Space Between Tie Bars | mm | 850×850 |
| Max. Mold Height | mm | 900 |
| Min. Mold Height | mm | 350 |
| Ejector Stroke | mm | 260 |
| Ejector Tonnage | KN | 200 |
| Ejector Number | Piece | 17 |
| OTHERS | ||
|---|---|---|
| Max. Pump Pressure | Mpa | 16 |
| Pump Motor Power | kw | 55 |
| Heater Power | kw | 42 |
| Machine Dimension(LxWxH) | m | 9.3×2.3×2.7 |
| Machine Weight | t | 31 |
| Hopper Capacity | kg | 100 |
| Oil Tank Capacity | L | 1200 |
Platen Dimensions Face
Platen Dimensions Side
Machine Dimensions
| SPECIFICATION | MG-738T | |||
|---|---|---|---|---|
| A | B | C | ||
| INJECTION UNIT | ||||
| Screw Diameter | mm | 90 | 95 | 105 |
| Screw L/D Ratio | L/D | 23.2 | 22 | 19.9 |
| Shot Size (Theoretical) | cm3 | 2861 | 3188 | 3894 |
| Injection Weight(PS) | g | 2603 | 2901 | 3543 |
| Injection Rate | g/s | 560 | 610 | 700 |
| Plasticizing Capacity | g/d | 85 | 100 | 110 |
| Injection Pressure | Mpa | 195 | 175 | 143 |
| Screw Speed | rpm | 0~130 | 0~130 | 0~130 |
| CLAMPING UNIT | ||
|---|---|---|
| Clamp Tonnage | KN | 7380 |
| Toggle Stroke | mm | 950 |
| Space Between Tie Bars | mm | 950×950 |
| Max. Mold Height | mm | 960 |
| Min. Mold Height | mm | 400 |
| Ejector Stroke | mm | 280 |
| Ejector Tonnage | KN | 200 |
| Ejector Number | Piece | 17 |
| OTHERS | ||
|---|---|---|
| Max. Pump Pressure | Mpa | 16 |
| Pump Motor Power | kw | 30+37 |
| Heater Power | kw | 48.8 |
| Machine Dimension(LxWxH) | m | 10.1×2.6×2.8 |
| Machine Weight | t | 38 |
| Hopper Capacity | kg | 100 |
| Oil Tank Capacity | L | 1500 |
Platen Dimensions Face
Platen Dimensions Side
Machine Dimensions
| SPECIFICATION | MG-1080T | ||||
|---|---|---|---|---|---|
| A | B | C | D | ||
| INJECTION UNIT | |||||
| Screw Diameter | mm | 100 | 110 | 120 | 130 |
| Screw L/D Ratio | L/D | 24.2 | 22 | 20.2 | 18.6 |
| Shot Size (Theoretical) | cm3 | 4083 | 4941 | 5880 | 6901 |
| Injection Weight(PS) | g | 3715 | 4496 | 5350 | 6280 |
| Injection Rate | g/s | 695 | 841 | 1001 | 1175 |
| Plasticizing Capacity | g/d | 96 | 116 | 130 | 148 |
| Injection Pressure | Mpa | 206 | 171 | 143 | 122 |
| Screw Speed | rpm | 0~110 | 0~110 | 0~110 | 0~110 |
| CLAMPING UNIT | ||
|---|---|---|
| Clamp Tonnage | KN | 10800 |
| Toggle Stroke | mm | 1120 |
| Space Between Tie Bars | mm | 1100×1100 |
| Max. Mold Height | mm | 1200 |
| Min. Mold Height | mm | 460 |
| Ejector Stroke | mm | 320 |
| Ejector Tonnage | KN | 245 |
| Ejector Number | Piece | 21 |
| OTHERS | ||
|---|---|---|
| Max. Pump Pressure | Mpa | 16 |
| Pump Motor Power | kw | 45+45 |
| Heater Power | kw | 68.50 |
| Machine Dimension(LxWxH) | m | 14.15×2.65×3.5 |
| Machine Weight | t | 65 |
| Hopper Capacity | kg | 100 |
| Oil Tank Capacity | L | 1700 |
Platen Dimensions Face
Platen Dimensions Side
Machine Dimensions
| SPECIFICATION | MG-1250T | ||||
|---|---|---|---|---|---|
| A | B | C | D | ||
| INJECTION UNIT | |||||
| Screw Diameter | mm | 110 | 120 | 130 | 140 |
| Screw L/D Ratio | L/D | 26.2 | 24 | 22.2 | 20.6 |
| Shot Size (Theoretical) | cm3 | 5322 | 6333 | 7433 | 8616 |
| Injection Weight(PS) | g | 4843 | 5763 | 6764 | 7844 |
| Injection Rate | g/s | 806 | 956 | 1122 | 1302 |
| Plasticizing Capacity | g/d | 115 | 128 | 145 | 175 |
| Injection Pressure | Mpa | 206 | 173 | 148 | 127 |
| Screw Speed | rpm | 0~95 | 0~95 | 0~95 | 0~95 |
| CLAMPING UNIT | ||
|---|---|---|
| Clamp Tonnage | KN | 12500 |
| Toggle Stroke | mm | 1300 |
| Space Between Tie Bars | mm | 1260×1260 |
| Max. Mold Height | mm | 1300 |
| Min. Mold Height | mm | 550 |
| Ejector Stroke | mm | 400 |
| Ejector Tonnage | KN | 260 |
| Ejector Number | Piece | 21 |
| OTHERS | ||
|---|---|---|
| Max. Pump Pressure | Mpa | 16 |
| Pump Motor Power | kw | 55+55 |
| Heater Power | kw | 85.25 |
| Machine Dimension(LxWxH) | m | 14.3×2.8×3.5 |
| Machine Weight | t | 65 |
| Hopper Capacity | kg | 100 |
| Oil Tank Capacity | L | 1900 |
Platen Dimensions Face
Platen Dimensions Side
Machine Dimensions
Ywashun machinery, the Professional Injection moulding machine supplier in China.
Note: Injection moulding machine is also known as Injection molding machines, plastic molding machines machines and plastic Injection moulding machine.

